说明:
ALX-J螺旋式测试架适配国产和进口 NK 、NLB 、ALB 等系列指针式推拉力计和 HF 系列数显式推拉力计作拉压负荷、插拔力测试等工作。
特点:
立式、卧式两用,还可安装在台面(桌面)上使用,使操作更稳固
手动操作,简单方便
参数:
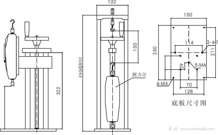
有 效 行 程: 大可达 190 mm
长 × 宽× 高: 230 × 150 × 490或800 mm
测试区有效面积: 105 × 100 mm ,大可达 105 × 152 mm
重 量: 8.8 kg
结构图:
