LQY 离子迁移数测定装置使用说明书

LQY 离子迁移数测定装置
 
使用说明书
一、简介
用希托夫法测定CuSO4水溶解中Cu2+的迁移数是物理、化学中的一门重要实验,通过实验可以进一步了解迁移数的含义,希托夫法测定迁移数的原理和方法,以及明确测定离子迁移数时与哪些因素有关。
LQY离子迁移数测定全套装置为实验提供了精良的硬件条件,该装置性能稳定,操作简便,尤其适合教学实验。
二、技术条件
1、技术指标
输  出
0~600VDC;0~30mA恒流方式
分辨率
0.1V;0.01mA
计  时
0~99.9min
相对温度
≤85%RH
重  量
4.8公斤
2、使用条件
电源:~220V±10%;50Hz
环境:-5℃~45℃
无腐蚀性气体的场所
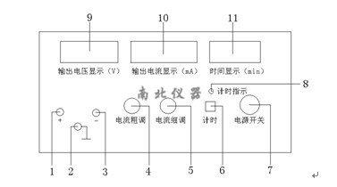
三、前面板示意图
 
1、正极接线柱:负载的正极接入处。
2、接地接线柱。
3、负极接线柱:负载的负极接入处。
4、电流粗调:粗略调节电流所需电流值。
5、电流细调:调节电流所需电流值。
6、计时按钮:按下此按钮,停止或开始计时。
7、电源开关。
8、计时指示:计时开始计时指示灯亮。
9、输出电压显示窗口:显示输出的实际电压值。
10、输出电流显示窗口:显示输出的实际电流值。
11、时间显示窗口:显示计时时间。
四、实验装置连接图
 
1、Hb迁移管   2、阳极   3、阴极   4、库仑计    5、阴极插座 
6、阳极插座    7、电极固定板       8、阴极铜片  9、阳极铜片
五、操作步骤及使用方法
(一)库仑计使用方法
1、库仑计中共有三片铜片,两边铜片为阳极,中间铜片为阴极。
2、阳板铜片固定在电极固定板上,不可拆下,阴极铜片由阴极插座固定。拆下或固定阴极铜片时只需反时针旋松或顺时针旋紧阴极插座即可。
3、电极固定板上有两个阳极插座,实验中可任意插入其中一个插座。
(二)操作步骤
1、配制0.05mol/L  CuSO4溶液250ml。洗净容器。用0.05mol/L  CuSO4溶液荡洗3次,然后在迁移管中装入该溶液,迁移管中不应有气泡。
2、铜电极放在1mol/L  HNO3溶液中稍微洗涤一下,以除去表面的氧化层,用蒸馏水冲洗后,将作为阳极的两片铜电极放入盛有镀铜液的库仑计中(镀铜液:100ml水中含15克CuSO4·5H2O,5ml浓H2SO4,5ml乙醇),将铜阴极用无水乙醇淋洗一下,用热空气将其吹干(温度不能太高),在天平上称重得M1,然后放入库仑计。
3、按图接好测量线路。接通电源,通过调节使电流在10mA左右。
4、通电90分钟,关闭电源。取出库仑计中的铜阴极,用蒸馏水冲洗后,用无水乙醇淋洗,再用热空气将其吹干,然后称重得M2。
5、分别将中间区阴、阳极区的CuSO4溶液全部取出,放入已知质量的锥形瓶称重,然后分别加入10%KI溶液10ml、1mol/L醋酸溶液10ml,用标准硫代硫酸钠溶液滴定,滴至淡黄色,加入1ml淀粉指示剂,再滴至紫色消失。

南北仪器
发布时间: 2018-04-09

您可以通过在线留言联系我们: